Sélectionnez votre modèle HONDA

Recherche rapide

search
OU

Par catégorie

user

Vous devez être connecté pour accéder à votre garage

Enregistrez vos véhicules et retrouvez-les facilement

login Se connecter

Sélectionner depuis mon garage

home

exclamation Aucun véhicule trouvé dans votre garage.

Chargement de plus de produits...
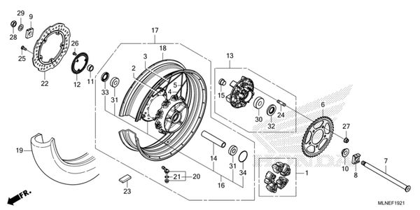
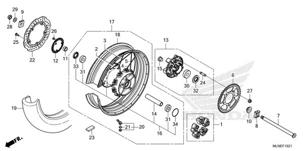
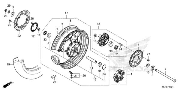
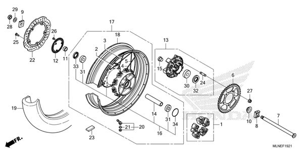
35 / 2277 Produits